Zero Crossing Detector Circuit Using Transistor - It can also be used as phase meters, as it can be used to measure the phase angle between two voltage.

Zero Crossing Detector Circuit Using Transistor - It can also be used as phase meters, as it can be used to measure the phase angle between two voltage.. Zero crossing detector basically detect zero voltage points and inform the controller or controller circuit. Zero crossing detector circuit is basically an application of a comparator. The zero crossing detector circuit changes the comparator's output state when the ac input crosses the zero reference voltage. By turning the switch on or off when the voltage is 0 there is less stress on the switching device and. Opamp based zero cross detectors are mostly used in industrial grade applications.

The zero crossing detector circuit changes the comparator's output state when the ac input crosses the zero reference voltage. 2n2222 npn transistor shifts the voltage level to a digital signal. Zero crossing detector circuit use for check or detect zero cross of ac power. The process of detection of this comparator is 0volt input signal crossing point by making reference value at. It is used for detecting the zero crossings of an ac signal, i.e.

Zero Crossing Detectors
Zero Crossing Detectors from sound-au.com
Zero crossing detectors widely find applications in electronics circuits mainly for switching purpose and in phase locked loop. In the article series zero crossing detector with op amp is built using a comparator of an op amp ic741/351. I am working on a zero crossing detector circuit. With the help of triac. Zero crossing detector circuit is basically an application of a comparator. A zero crossing detector is used to find the point where a wave crossing the 0 voltage points in the wave. Strangely, except wikipedia no other top online site has so far addressed this. Zero crossing detector circuit is one such example through which we can explore the attributes of ac signal.

Zero crossing detector basically detect zero voltage points and inform the controller or controller circuit.

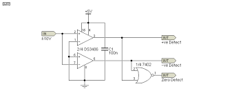
Zero crossing detector ppt video online download , from the q and a nuts & volts magazine , zero crossing detectors , zero crossing detector of transistor detector zero crossing zero circuit using crossing microcontroller pic detector high quality jpeg wallpaper download images of detector. Can anyone please explain the function of highlighted circuit? Here's a simulatable version of the circuit: @runaway pancake, i understand your circuit , but not to nit pick but shouldn't the opto led be the diode next to the transistor with the reverse polarity diode being to the. Zero crossing detectors can be used as frequency counters and for switching purposes in. Both of these problems can be cured with the use of regenerative or positive feedback that causes the output vo to change faster and eliminate any false output transitions due to noise signals at the input. In the article series zero crossing detector with op amp is built using a comparator of an op amp ic741/351. By turning the switch on or off when the voltage is 0 there is less stress on the switching device and. Figure shows the circuit diagram of inverting comparator used as zero crossing detector. In this configuration, we apply signal voltage to the inverting terminal and zero voltage reference signal to the noninverting input. I am getting the parts tomorrow for cmartinez zero cross detection circuit only because it seems to have less of them. Inverting zero cross detector circuit schematic using op amp 741 ic is shown below along with working, input output wave forms. Thus zero crossings is identified for noise voltages in addition to the vin.

Opamp based zero cross detectors are mostly used in industrial grade applications. You only need the first half, hence only the one diode. A diode should be used to protect the comparator when the input goes below the negative input common mode limit. @runaway pancake, i understand your circuit , but not to nit pick but shouldn't the opto led be the diode next to the transistor with the reverse polarity diode being to the. This can be used for generating a timing signal but it is most often used to control an ac switch.

How To Make A Zero Crossing Detector Circuit Homemade Circuit Projects
How To Make A Zero Crossing Detector Circuit Homemade Circuit Projects from homemade-circuits.com
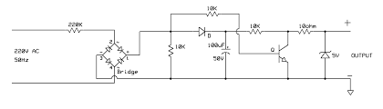
Circuit diagram when we want to interface our zero cross detector with microcontroller, which is the most common case now days, then it is very important to have just pulse indicating the change of zero. With the help of triac. You only need the first half, hence only the one diode. Figure shows the circuit diagram of inverting comparator used as zero crossing detector. Thus zero crossings is identified for noise voltages in addition to the vin. This produces perfect complementary squarewave signals (in antiphase) on its q and q outputs suitable for driving the output power transistors. Strangely, except wikipedia no other top online site has so far addressed this. Also, these are used in frequency counters and in phase meters.

Both of these problems can be cured with the use of regenerative or positive feedback that causes the output vo to change faster and eliminate any false output transitions due to noise signals at the input.

A zero crossing detector does not require full wave rectification. (the unsung heroes of modern electronics design) if you search the net for zero crossing detectors, you will see a multitude of circuits suggesting the figure 1 shows the zero crossing detector as used for the dimmer ramp generator in project 62. Can anyone please explain the function of highlighted circuit? Zero crossing detectors and comparators. In the article series zero crossing detector with op amp is built using a comparator of an op amp ic741/351. A 20 kiloohm load resistor is connected to the output of the transistor. Zero crossing detectors widely find applications in electronics circuits mainly for switching purpose and in phase locked loop. In this configuration, we apply signal voltage to the inverting terminal and zero voltage reference signal to the noninverting input. Zero crossing detector circuit is one such example through which we can explore the attributes of ac signal. I am working on a zero crossing detector circuit. Zero crossing detector circuit use for check or detect zero cross of ac power. It can also be used as phase meters, as it can be used to measure the phase angle between two voltage. I am getting the parts tomorrow for cmartinez zero cross detection circuit only because it seems to have less of them.

Also, these are used in frequency counters and in phase meters. @runaway pancake, i understand your circuit , but not to nit pick but shouldn't the opto led be the diode next to the transistor with the reverse polarity diode being to the. With the help of triac. T1 continues to work while t2 and t3 switch off when the voltage is positive, while the reverse. Zero crossing detectors widely find applications in electronics circuits mainly for switching purpose and in phase locked loop.

Zero Crossing Detectors
Zero Crossing Detectors from sound-au.com
I am working on a zero crossing detector circuit. Transition from positive half cycle to negative half cycle or negative half to positive half cycle in the input signal. These systems also require correct measurements that are not affected. This produces perfect complementary squarewave signals (in antiphase) on its q and q outputs suitable for driving the output power transistors. With the help of triac. A diode should be used to protect the comparator when the input goes below the negative input common mode limit. It can also be called as the sine to square wave converter. A zero crossing detector does not require full wave rectification.

Zero crossing detectors and comparators.

The zero crossing circuit in a hakko 888 iron is a simple transistor. Hi all i want to ask about zero crossing detector using transistors if any one have this circuit. Can anyone please explain the function of highlighted circuit? Circuit diagram when we want to interface our zero cross detector with microcontroller, which is the most common case now days, then it is very important to have just pulse indicating the change of zero. In the article series zero crossing detector with op amp is built using a comparator of an op amp ic741/351. Thus zero crossings is identified for noise voltages in addition to the vin. By turning the switch on or off when the voltage is 0 there is less stress on the switching device and. I am getting the parts tomorrow for cmartinez zero cross detection circuit only because it seems to have less of them. Zero crossing detector circuit use for check or detect zero cross of ac power. It can also be used as phase meters, as it can be used to measure the phase angle between two voltage. These systems also require correct measurements that are not affected. Zero crossing detectors and comparators. Zero crossing detector ppt video online download , from the q and a nuts & volts magazine , zero crossing detectors , zero crossing detector of transistor detector zero crossing zero circuit using crossing microcontroller pic detector high quality jpeg wallpaper download images of detector.

Related : Zero Crossing Detector Circuit Using Transistor - It can also be used as phase meters, as it can be used to measure the phase angle between two voltage..